$22.99

Aspen HYSYS simulation file of liquified natural gas (LNG) production plant [.HSC and .XML]

$22.99

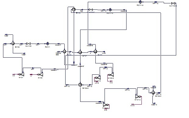
In this project, the process of converting a sample natural gas (at 25 ° C) into a liquid phase (LNG) is simulated. To do this, the natural gas temperature is reduced to -135 ° C. This temperature reduction is accomplished by three refrigeration cycles of liquid propane, liquid ethylene and liquid methane. The refrigeration cycles collaborate in such a way that the propane cycle also cools the ethylene cycle at one point in addition to cooling the natural gas. Also, in addition to cooling the natural gas, the ethylene cycle also preheats the methane cycle. By these three cycles, the temperature of natural gas drops to a negative temperature of -135 ° C, and at this temperature natural gas turns into LNG or liquified natural gas. Liquified natural gas has a much lower volume, compared to natural gas, which is why its transportation is easier by ship. Nowadays, many countries export their natural via LNG carriers.

This is an Aspen HYSYS simulation file (.HSC), accompanied by (.XML) file. The .XML file can be operated in all versions of HYSYS.

This product is not currently for sale.
Size
147 KB
Powered by